产品中心
您当前的位置 : 首 页 > 产品中心 > 4-82系列离心通风机

联系我们

江苏8868体育官网机电有限公司

电话:0515-88480808  

电话:0515-88206788

手机:18361110888  

传真:0515-88480788  

传真:0515-88600099

Q Q:18961972136

邮箱:hengkangjidian@126.com

网址:www.wqfj.com

地址:江苏省盐城市盐都区郭猛镇节能环保创业园双新路9号

4-82系列离心通风机

产品属性

  • 所属分类:4-82系列离心通风机
  • 产品编号:1568972746
  • 浏览次数:0
  • 发布日期:2023-06-16
  • 产品概述

离心通风机

一、风机特点

 
      为满足空调行业需要大风量,低压头的特殊要求,我厂通过市场调研,结合国内外生产厂家的优点,自行开发了4-82系列离心通风机。该系列风机具有性能良好、效率高、造型美观、结构紧凑、运转平稳、安装维修十分方便等特点,因而特虽适用于各种卧式空调机组。

 
      二、风机结构 


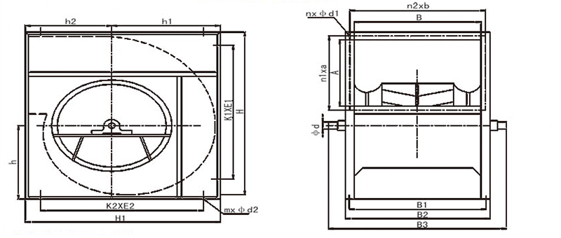
      4-82系列离心通风机主要由:叶轮、机壳、进风口、传动部分组成。 
      1、叶轮由20片后倾翼形叶片与前盘、轮盘焊接而成,经动平衡校正,气动性能良好,效率高,噪声低,体积小。 
      2、机壳用钢板焊接成蜗壳体,分别可制成0°、90°、180°、270°三种形式。 
      3、进风口制成收敛式流线型整体结构,用螺栓固定在风机的两入口处。 
      4、传动部分由:主轴、轴承、轴承座、带轮等组成。 

5、每种风机又能可制成左、右旋转两种型式,面对皮带轮端,顺时针方向旋转为右旋,逆时针方向旋转为左旋。 


      三、用途 


      4-82系列离心通风机,主要用于空调工程通风系统,涂装设备,烤漆房设备,也可作为一般通风换气,气体温度不大于80℃。


四、使用说明


1、只有在风机设备正常使用情况下可运行。

2、设备在检修后启动时,应注意叶轮部锥套、轴承座、皮带轮锥套连接螺丝是否拧紧。各部位是否正常。

3、当拆除锥套螺丝时,应先松开连接螺栓,然后拧拆卸螺栓将锥套顶出。

4、除每次检修后应更换润滑油外,还应定期更换润滑油。


五、风机性能参数


4-82系列离心通风机,其产品性能参数均指标准状况下的风机性能参数。



4-82系列离心通风机外形尺寸

(5.6E-11.2E)


4-82系列离心通风机


4-82系列离心通风机性能参数表


4-82系列离心通风机









标签

本文网址:/product/775.html
上一篇:没有了
下一篇:4-82系列离心通风机2023-06-16

近期浏览: